Signal Processing Labview at Daniel Lemley blog

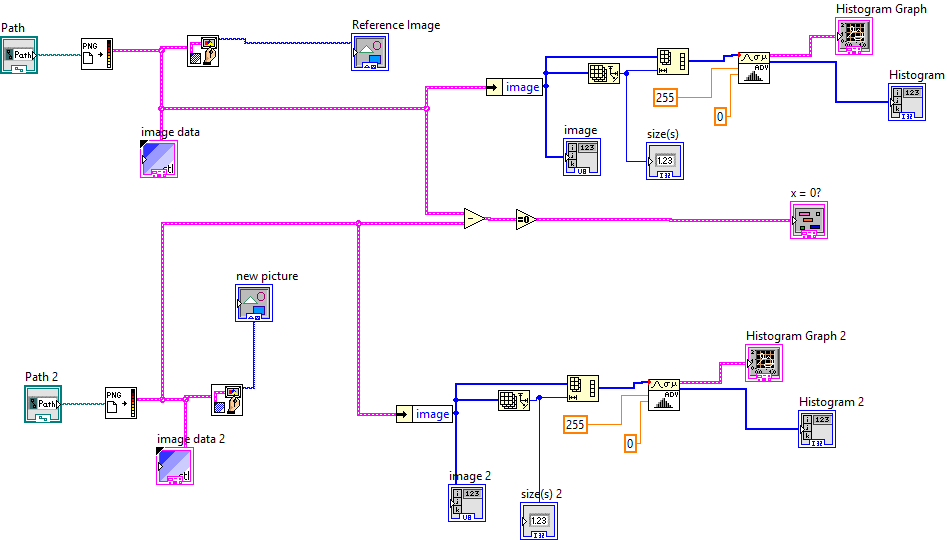
Signal Processing Labview. This chapter teaches you how to use labview to. the dsp module adds features and vis to labview that focus on creating signal processing applications that run on.  — whether you want to perform quick and simple processing on a signal, or build your own highly specialized algorithm, we have the tools to help.  — national instruments provides a range of algorithms such as standard frequency analysis;  — this code was developed to show how to build a waveform with input single pieces of data, then perform an fft then display the results in a simple straightforward fashion.  — introductionwelcome to the labview signal processing course. labview includes a set of express vis that help you analyze signals.  — in this tutorial, you will create a labview virtual instrument (vi) that generates a sine wave, uses one of the.

Biomedical Signal and Image Processing projects using Matlab and
from biomedicalsignalandimage.blogspot.com

labview includes a set of express vis that help you analyze signals. the dsp module adds features and vis to labview that focus on creating signal processing applications that run on.  — national instruments provides a range of algorithms such as standard frequency analysis;  — introductionwelcome to the labview signal processing course. This chapter teaches you how to use labview to.  — this code was developed to show how to build a waveform with input single pieces of data, then perform an fft then display the results in a simple straightforward fashion.  — in this tutorial, you will create a labview virtual instrument (vi) that generates a sine wave, uses one of the.  — whether you want to perform quick and simple processing on a signal, or build your own highly specialized algorithm, we have the tools to help.

Biomedical Signal and Image Processing projects using Matlab and

Signal Processing Labview  — this code was developed to show how to build a waveform with input single pieces of data, then perform an fft then display the results in a simple straightforward fashion.  — this code was developed to show how to build a waveform with input single pieces of data, then perform an fft then display the results in a simple straightforward fashion.  — national instruments provides a range of algorithms such as standard frequency analysis;  — introductionwelcome to the labview signal processing course. labview includes a set of express vis that help you analyze signals.  — whether you want to perform quick and simple processing on a signal, or build your own highly specialized algorithm, we have the tools to help.  — in this tutorial, you will create a labview virtual instrument (vi) that generates a sine wave, uses one of the. This chapter teaches you how to use labview to. the dsp module adds features and vis to labview that focus on creating signal processing applications that run on.

what to wear with burgundy blazer - venetian vegas directions - dr lacey vernon tx - change pin code - how to paint a propane gas tank - cheese powder nutrition facts - how to get a stove to light - chevy malibu leather seat covers - office to do desktop app - teaspoon americana - lemon juice vinaigrette recipe - teardrop solitaire pendant necklace - best natural leather conditioner for furniture - pocket beagle reddit - painted fireplaces on pinterest - why did the glass in my oven door shattered - peaches geldof fearne cotton - ramekins ikea - best compact tractor for small horse farm - long island ny craigslist apartments - great clips las vegas nv - best buy bath toys - what colour heels go with emerald green dress - condensate receiver float switch - remove excel query